大家好,我是来自超导量子实验组的赵有为,今天我给大家做一个简短的量子计算原理性的介绍,讲解量子计算和经典计算的区别,以及量子计算机和经典计算机的区别。
第一部分是计算与量子计算,首先简单说一下经典计算,经典计算就是离散的信息储存在01串中。我们想要对经典信息进行操作,就是把逻辑门作用到比特上,比较常见比方说与门、或门、非门。
与门就是当两个比特都是1的时候,我们会得到1的结果,如果其中一个比特不是1,那么我们就会得到一个0的结果。
或门是只要两个比特有一个是1,我们就会得到1的结果,其他的情况我们会得到0的结果。
非门就是把一个比特变成与它相反的结果,就是1变成0,0变成1。
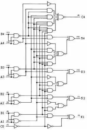
简单的逻辑门经过组合可以形成非常复杂的操作。图片中是一个加法器的线路图,它能够把两个0-15之间的数组合成一个新的数,我们可以看到这个图中有非常非常多的黑色边框的小图形,他们就是之前提到基础的逻辑门。这些逻辑门都是左边有一个或者两个线指向他,这是他的输入,右边有一个线拉出来,是他的输出。这些门一次只能产生一个输出,但是我们可以把这个输出,通过图中的黑点复制很多份,放到不同的门中作为输入。左边这些门经过复杂的组合,形成了一个加法器。
这里并不是要一步步的讲清楚加法器的原理,而是说明其实经典计算也不是一个非常直观的过程。比如说我们口算12+13的过程,我们也不是直接就把它加出来,我们是先进用1+1得到十位2再用2+3得到个位的5,作为一个整体,我们才把12+13变成了25。
量子计算信息就不再是只能是0和1,他变成了0和1的叠加,我们把0写成态矢,然后把1写成态矢,这时候比特就变成了,这样一个0和1的叠加,其中和为复数,图中是这两种方式的区别。对于经典信息的来说, 0或1是它储存的信息,但是对于量子,这两个复数和才能它真正储存的信息。对于多个比特的情况,比特间的量子关联使得他们按照每个比特的01构成01串,这个01串作为整体乘上对应的概率幅,比如说4个比特变成图中的形式
通过四个比特,储存了这16个复数。而对于经典的情况,左边的这四个比特,4个0或1组合到一起,只储存了一个数。量子计算通过这种方式储存指数多的信息,因此可以做到比经典快指数倍。经典的情形,我们也可以换一种方式理解,也写成右边这样的形式,对应着其中一个是1,其他的是0。比方说经典的0001就相当于量子的等于1,其他取0。因此,我们可以理解为,量子起到了一个并行的作用,它同时实现了0000到1111这16个数对应的运算。
储存信息的方式是量子计算比经典快的原因,为了适应这种方式,量子计算对比特的操作会有很大的变化。首先我们先用一个简化的形式来表述这个态。我们刚刚把四个比特的态写成的形式,它的写法是非常复杂的,我们使用向量的写法来简化它的形式。在这个形式的基础上,量子计算门的作用就可以用矩阵来表示,比方说通用量子计算X,Z,H,S,,T, ,CNOT中的X,就用来表示。门作用到比特上,就是把门的矩阵直接乘到比特的向量上,X作用到。我们就把会发现这个向量的两个值交换了一下,就相当于把变成了, 变成了,这样一个作用就和经典的非门非常像。
这是最近实现的一个方程组求解的线路,和前面加法器的线路相比,可以发现它形状上整齐了很多,它的每一个门,输入和输出是一样多的。
经典计算是使用电压来储存信息,比方说一个工作在5伏的CPU,我们使用低电压0-1。2v来表示0,使用高电压3。8-5v来表示1。
最左边一个图就是一个用三极管组成的逻辑门,我们可以看到它里面有两种三极管,T1、T2是一种,箭头是向右,下面的T3、T4是另一种,它的箭头是向左。T1和T2如果它的左边是高电压的话,那么它的上下就是断开的。T3和T4如果它的左边是高电压的话,那么这个它的上下就是连通的。我们可以利用箭头方向形象的记忆,左边一通电,中间那一小段就沿着箭头的方向走,就把第一种断开,把第二种连上了。在这样的组合下,只有当A和B都是高电压的时候,输出才会是一个低电压,通过这种方式我们就用三极管来实现了一个与非门。
后面两个图是CPU的切片,我们看到它最下面的一层是很多的三极管,他们通过水平的竖直的线连接好引出来,形成了我们电脑中的计算单元。
这是光学体系下的量子计算,每一个算法就是一组光路。我们用光子编码比特,用光学器件实现逻辑。

用波片实现单比特门,第三张图是用偏振分束器实现CNOT门的示意图。这是超导体系下的量子计算,和早期间的经典计算机类似,占了一整个房间。我们的芯片装到制冷机的最下层放到减震制冷的框架中,层层降温,直至5到10毫K的温度。然后通过电脑控制后面机柜中的电路板给芯片加信号。这是刚刚方程组求解的线路,下面就是加到比特上的信号的波形,超导体下的量子计算,不同的门通过加不同的波形实现。
经典计算机和量子计算机分别实现了自己的逻辑门,也就拥有了对应的计算的能力。这就是经典计算机和量子计算机的区别。